概要
設計リソース
設計/統合ファイル
- Schematic
- Bill of Materials
- Gerber Files
- PADS Files
- Assembly Drawing
評価用ボード
型番に"Z"が付いているものは、RoHS対応製品です。 本回路の評価には以下の評価用ボードが必要です。
- EVAL-CN0211-EB1Z ($105.93) IF Band-Pass Filter Bank Switching Network for Wireless Infrastructure
機能と利点
- RF signal routing techniques
- Selectable filter response
- Excellent off isolation of -50 dB at 200 MHz
製品カテゴリ
マーケット & テクノロジー
使用されている製品
参考資料
-
MT-101: Decoupling Techniques2015/02/14PDF954 kB
-
CN-0211: ワイヤレス・インフラ向け IF バンドパス・フィルタ・バンクの切り替え回路2012/06/13PDF245 kB
回路機能とその特長
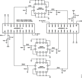
図1に示す回路は、IFバンドパス・フィルタ・バンクを切り替えるものです。この回路では、3つの異なる帯域幅の140 MHz IF SAWフィルタと、2つのSP4T CMOS RFスイッチADG904-Rを使用します。スイッチ素子ADG904-Rは、どのバンドパス・フィルタに信号を通過させるかを切り替えます。同時には1つのフィルタだけが選択できます。このような回路は、一般的に「フィルタ・バンク切り替え回路」と呼ばれています。この使い方は、携帯電話基地局やポイントtoポイント無線のRFフロントエンドなど、ワイヤレス・インフラストラクチャ・アプリケーションでとても一般的です。さまざまな帯域幅のIFフィルタを選択できれば、これらのシステムで、さまざまなデータレートに柔軟に対応できます。
最適なシステム性能を実現するには、IFパスバンド内での挿入損失をフラットにする必要があります。スイッチ素子のADG904-Rは、挿入損失の周波数特性が非常にフラットで、この回路に最適です。このデバイスの挿入損失は、電源電圧変動や温度変動に対してもフラットです。回路性能を最大限にするための、もう1つのとても重要なパラメータは、スイッチ・オフ・アイソレーションです。ADG904-Rは、200 MHzまでで−50 dB以上という優れたオフ・アイソレーションを備えています。
回路説明
この回路は図1に示すように、2つのCMOS RF スイッチADG904-Rと、3つのIF SAWフィルタで構成されます。スイッチの電源電圧範囲は1.65~2.75 Vです。この評価では2.5 Vの公称電圧値を使用しました。RF入力は、ADG904-RによるスイッチU1の10番ピン(RFC)に接続します。ADG904-RはSP4Tスイッチであり、RFCピンは4つすべてのスイッチ(RF1、RF2、RF3、RF4)に繋がっています。U1の4番ピン(RF1)は、Triquint 856592 SAWフィルタの入力に接続します。このフィルタは、50 Ωの特性インピーダンスで使用する、シングルエンド・フィルタです。このフィルタの中心周波数は140 MHz、1 dB帯域幅は20.7 MHz(typ)です。最適な50 Ω終端を実現するには、集中定数素子によるマッチング回路が必要です。フィルタの出力はADG904-R(U2)の17番ピン(RF2)に接続します。
同様に2番目のSAWフィルタ(Triquint 856684)も、U1とU2に接続します。この場合、フィルタはU1の17番ピン(RF2)とU2の4番ピン(RF1)に接続します。856684フィルタの中心周波数は140 MHz、1 dB帯域幅は16.18 MHz(typ)です。
3番目のSAWフィルタ(Triquint 856656)は、U1の7番ピン(RF3)とU2の14番ピン(RF4)に接続します。856656フィルタの中心周波数は140 MHz、1 dB帯域幅は11.82 MHz(typ)です。
SAWフィルタのメーカーが推奨するプリント基板のフットプリント・レイアウトを使用することが重要です。入力ポートから出力ポートまで最大のアイソレーションを実現するために、フィルタの下部にスロットを配置しました。このようにしてアイソレーションを改善することで、良好な帯域外減衰特性を実現し、帯域内リップルを最小限にすることができます。各フィルタは、0603サイズのインダクタとコンデンサの集中定数素子を用いて、入力ポートと出力ポートで50 Ωに整合されています。これは、評価用ボードから優れた性能を引き出すための重要なポイントです。さらにアイソレーションを改善するため、フィルタとスイッチとを接続する部分、RFコネクタを接続する部分の50 Ω 伝送ラインは、コプラナ導波路にしています。
11.82 MHz帯域幅のフィルタの、単独の挿入損失の周波数特性を図3に示します。このデータは単一フィルタ用評価ボードで測定したものです。伝送ライン設計とマッチング部品は同じものを用いています。また経路にスイッチはありません。この応答特性をリファレンスとして使用します。140 MHzでの挿入損失は−9.17 dBで、−9.2 dB(typ)というデータシート値と矛盾していません。


図4は、今回の回路評価用ボードを用いて、ADG904-RでSAWフィルタ856656を選択している状態の測定結果です。この応答特性は、単一フィルタ用評価ボードの応答特性(これも重ねてプロットしてあります)に十分匹敵しています。2つのADG904-Rスイッチが直列であることによる損失で、フィルタの挿入損失は1 dB増加しています。ワイヤレス・インフラストラクチャでは、通過帯域のリップル特性が重要です。帯域全体でのリップルは、135.5~144.5 MHzのパスバンド内での最小点から最大点間で0.47 dBです。このレベルは、データシートでのリップルの仕様(最大0.8 dB)に十分収まります。このアプリケーションで、フィルタのチャンネル間リーク電流を最小限に抑えるには、スイッチの高いオフ・アイソレーションが不可欠です。スイッチのオフ・アイソレーションが不十分だと、フィルタのリップル特性と帯域内での挿入損失が劣化します。今回の実験結果では、このような徴候は見られませんでした。
図5と図6はそれぞれ、856592と856684のSAWフィルタでの測定結果を示しています。この結果には、直列に挿入された2つのスイッチ素子ADG904-Rの損失も含まれています。この損失はおよそ1.0 dBです。2つのフィルタ経路ともども、フラットで低い挿入損失と、高い帯域外減衰特性を示しています。ここに示した結果は、メーカーのデータシートの許容偏差内に収まっており、ADG904-Rがリップルやミスマッチを発生させることなく、フィルタの平坦性にもまったく影響を与えていないことがわかります。




バリエーション回路
このフィルタ・バンク切り替え回路には、ADG904の吸収型バージョンを使用することもできます。吸収型バージョンは、RFxポートに50 Ωのシャント抵抗が内蔵されています。スイッチがオフのとき、シャント抵抗によって、良好な50 Ωマッチングが得られます。チャンネル入力におけるオフ状態での反射を吸収する必要があるアプリケーションでは、これは重要なことです。
この回路でのフィルタのチャンネル数は、簡単に変更できます。ADG9xxファミリーの他のスイッチを、チャンネル数に応じて使用すれば、より柔軟なレイアウトを実現できます。ADG936はデュアルSPDTスイッチ、ADG918はSPDTスイッチ、ADG901 はSPSTスイッチです。これらすべてのスイッチは、吸収型と反射型の両方を製品化しています。
回路の評価とテスト
この基板は、SMA型コネクタでベクトル・ネットワーク・アナライザ(VNA)と接続できるように設計されています。基板上のSMAコネクタはメスです。基板上には各フィルタを切り替えるジャンパ端子があり、手動でフィルタを切り替えることができます。なおそれぞれのADG904-Rのスイッチのうち1つは使用していません。したがって、この未使用スイッチを選択すると、RF入力ポートとRF出力ポートが分離されます(つまりスイッチはフィルタに接続されません)。

必要な装置
- ベクトル・ネットワーク・アナライザ:Hewlett Packard 85033D 3.5 mmキャリブレーション・キット付きHewlett Packard 8753E、または同等品
- 回路評価用ボード(EVAL-CN0211-EB1Z)
- 電源(2.5V)
- 3.5 mmコネクタ付き同軸RFケーブル
セットアップとテスト
図7にテストのためのセットアップを示します。VNAは、3.5 mmコネクタのケーブルを介して、回路評価用ボードに接続します。回路評価用ボードをテストする前に、VNAはケーブル先端でのフル・2ポート・キャリブレーションをする必要があります。表1は、個々のフィルタ・チャンネルをイネーブルにするためのロジック状態を示しています。


