概要
設計リソース
デバイス・ドライバ
コンポーネントのデジタル・インターフェースとを介して通信するために使用されるCコードやFPGAコードなどのソフトウェアです。
機能と利点
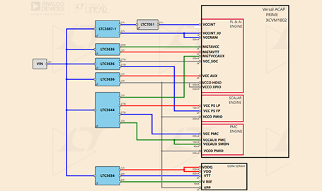
ADI Key Power Management Features for Versal PRIME XCXM1802 for Low Voltage
- Proposed Solution implements new LTC3887-1/LTC7051 combo
- LTC3887-1 is a PMBus 2-phase, 2 loop, current mode controller. PMBus commands allow Vin, Vout, current, temperature, and fault status read back.
- LTC7051 is new Silent Switcher 2 ADI MOS capable of delivering increased DC load while switching at higher frequencies. Increased DC load allows for decreased phase count and higher current density. Increased Fsw allows for increase bandwidth and excellent transient response.
- LTC3636 is dual 6A, controlled on-time current mode monolithic (integrated FETs). Provides high performance compact solution for auxiliary rails.
- LTC3644 is a quad 1.25A output, high efficiency synchronous monolithic capable of switching up to 2.25MHz.
- LTC3634 is a single chip solution for DDR rails providing VDD, VTT, and Vref in a monolithic solution.
回路説明
The Prime series is the foundation and the mid-range of the Versal platform, serving the broadest applicability across multiple markets. These applications include 100G to 200G networking equipment, network and storage acceleration in the data center, communications test equipment, broadcast, and aerospace & defense. The series integrates mainstream 58G transceivers and optimized I/O and DDR connectivity, achieving low latency acceleration and performance across diverse workloads.
| Estimated Solution Area: | |
| LTC3887: | 300mm2 |
| LTC7051: | Contact ADI |
| LTC3636: | 150mm2 |
| LTC3636: | 150mm2 |
| LTC3636: | 150mm2 |
| LTC3644: | 300mm2 |
| Total: | 1650mm2 |
| Optional DDR Supply: | |
| LTC3634: | 120mm2 |
| Total: | 1770mm2 |
| Part | Quantity | Type |
| LTC3887EUHG-1#PBF |
1 |
Controller |
| LTC7051** |
3 |
ADI MOS (DrMOS) |
| LTC3636IUFD#PBF |
3 |
Monolithic |
| LTC3644** |
1 |
Monolithic |
| Optional DDR |
|
|
| LTC3634EUFD#PBF |
1 |
Monolithic DDR |
**This product is not yet released.

