概要
設計リソース
設計/統合ファイル
- Schematic
- Bill of Materials
- Gerber Files
- PADS Files
- Assembly Drawing
評価用ボード
型番に"Z"が付いているものは、RoHS対応製品です。 本回路の評価には以下の評価用ボードが必要です。
- EVAL-ADAS1000SDZ ($234.22) Powering an ECG Front End in Battery Powered Patient Monitoring Applications
- EVAL-SDP-CB1Z ($116.52) Eval Control Board
デバイス・ドライバ
コンポーネントのデジタル・インターフェースとを介して通信するために使用されるCコードやFPGAコードなどのソフトウェアです。
ADAS1000: Low Power, 5-Electrode Electrocardiogram (ECG) Analog Front End (AFE) Linux Driver
機能と利点
- 完全に集積化されたECGフロントエンド
- 低消費電力
- 低ノイズ
製品カテゴリ
マーケット & テクノロジー
使用されている製品
参考資料
-
MT-101: Decoupling Techniques2015/02/14PDF954 kB
-
MT-021: ADC Architectures II: Successive Approximation ADCs2015/02/14PDF3799 kB
-
MT-031: データ・コンバータのグラウンディングと、「AGND」および「DGND」に関する疑問の解消2009/03/20PDF144 kB
-
CN-0308: バッテリ駆動の患者モニタリング・アプリケーションにおける ECGフロントエンドへの電力供給2012/11/06PDF358 kB
回路機能とその特長
この回路は、バッテリ駆動の患者モニタリング・アプリケーションで使用する心電計(ECG)用高集積フロントエンドです。
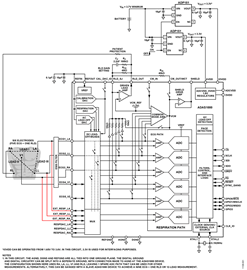
図1に、呼吸計測やペース検出などの機能を備えた代表的な5リード(4つの四肢用リードと1つの前胸部用リード)ECG測定システムの物理的接続のトップレベル図を示します。携帯型のECG遠隔測定器やライン給電される臨床機器からの簡約誘導セットでは代表的な構成です。
皮膚の表面で測定すると、ECGの信号は振幅が小さく、通常約1mVです。その小さい信号の内部に患者の健康や他の特性に関する重要な情報が記録されるので、µVレベルの測定感度が求められます。システム・レベルでは、さまざまな医療規格がノイズを最大30µVp-pまでにすることを要求しています。しかし、一般に、設計者が目標とするのはこれより小さい値です。このため、システム・レベル要件に適合するソリューションを設計する際は、あらゆるノイズ源を考慮する必要があります。
ADAS1000のノイズ性能は、さまざまな動作条件で規定されています。電源は、全体の性能を低下させないように設計する必要があります。リニア・レギュレータ ADP151が選択された理由はその超低ノイズ性能(9µVrms(typ)、10Hz~100kHz)にあり、ADAS1000の電源除去比と組み合わせると、ADP151のノイズが全体的なノイズ性能を低下させることは決してありません。

(全接続の一部およびデカップリングは省略されています)
回路説明
5電極のECG用アナログ・フロントエンド(AFE)のADAS1000は、低消費電力、低ノイズ、高性能、テザー付き、携帯型という次世代のECGシステムの課題に対応します。
ADAS1000は5電極入力と右脚駆動(RLD)専用の出力リファレンス電極からなる高集積チップで、高度なモニタリングと診断を行うECG測定用に設計されています。
ADAS1000はECG信号のモニタリングに必要な要素に対応するだけでなく、呼吸計測(胸郭インピーダンス測定)、ペース・アーチファクト検出、リード/電極の接続ステータス表示、内部校正などの機能を備えています。
1個のADAS1000で5電極入力に対応するので、従来の6リードECG測定は容易に実現します。もう1個のADAS1000をスレーブ・デバイスとして並列接続すると、システムのスケーリングによる真の12リード測定(9個の電極と1個のRLDからなる)が可能で、さらに、複数のスレーブ・デバイス(3個以上)を追加することにより、15以上のリードで測定するようにシステムをスケーリングできます。
呼吸
ADAS1000には、46kHz~64kHzにプログラム可能な周波数で駆動する呼吸計測用のD/Aコンバータ(DAC)と、この難しい計測を簡素化するA/Dコンバータ(ADC)が搭載されています。固有のケーブル・パラメータを考慮して、測定値は呼吸を判定できる大きさと位相になるように復調および変換されます。回路の分解能は、内部コンデンサを使用すると200mΩで、外部コンデンサを使用するとそれより高く(<200mΩ)なります。この回路は柔軟性の高いスイッチング方式を採用しているので、3つのリード(I、II、またはIII)のいずれでも測定可能です。
ペース検出アルゴリズム
ペース検出アルゴリズムは、デジタル・アルゴリズムの3つのインスタンスを、ペース検出の対象となり得る4つのリード(I、II、III、またはaVF)のうち3つで実行します。このアルゴリズムは、高周波のECGデータに対して内部のデシメーションやフィルタリングと並行して実行され、100µs~2msの幅のペーシング・アーチファクトと400µV~1000mVの振幅を検出および測定するように設計されています。ADAS1000は、1つ以上のリードでペースが検出されたことを示すフラグとともに、検出した信号の高さと幅の測定値を返します。ユーザ独自のデジタル・ペース・アルゴリズムを実行したい場合、ADAS1000は高速データレート(128kHz)でECGデータを提供する高速ペース・インターフェースを備えていますが、フィルタリングとデシメーションを実行したECGデータは標準インターフェース上に残ります。
低消費電力
ADAS1000は低消費電力設計で、5電極のECG測定器の駆動に必要な電力はわずか21mWです。バッテリ駆動のホルター心電計や遠隔測定装置などのアプリケーションでは、全体の消費電力を極力抑えるために、未使用のチャンネルや機能を容易に無効にして、ECGの1リードあたりの消費電力をさらにわずか11mWに低減できます。
低ノイズ
さまざまな状態を適切に診断する上で、低ノイズ性能は非常に重要です。最終機器の規制基準に対応するには、ADAS1000のノイズ性能が必要です。ADAS1000では、ノイズ性能、消費電力、データレート間のトレードオフが可能なので、デバイスを広範な製品に適合させることができます。ADAS1000の性能は、消費電力がさほど重視されないライン給電されるECGシステムにおいても優れています。
デバイスのノイズ性能は、高性能モードで最適化することができます。このモードでは、内蔵の逐次比較型A/Dコンバータのサンプリング・レートが2MSPSに向上するので、S/N比が高くなります。
柔軟なデータレート
標準シリアル・インターフェースは、リードオフ・ステータス、ペース、呼吸、その他の補助機能を含め、ECGに関するあらゆる情報を出力します。32ビットまたは16ビットの多数のデータ・ワード(パケットまたはフレームと総称される)は、データ・バスのシリアルSDOピンに出力されます。データ・キャプチャをきわめて容易にするために、さまざまなフレーム・データレート(2kHz、16kHz、または128kHz)を使用可能です。データレートを最も遅い2kHzにすると、デシメーション量を増やすことができるので、低ノイズ性能を得るには最適なフレーム・データレートです。また、データをスキップ・モードで読み出すことも可能で、このモードでは、パケットまたはフレームをデバイスから読み出すのにワードを1つおきか2つおきに読み出します。最も遅いデータレートは500Hzです。
SDPボードに接続されたADAS1000評価ボードの写真を図2に示します。
この評価ボードは、1リードから12リードのECG測定を実行するように設計されています。

携帯型ECGアプリケーションで使用されるバッテリ
携帯型のECG機器で使用されるバッテリの種類はさまざまで、交換や再充電が容易なAAバッテリまたはAAAバッテリが使用されている場合もあります。
バッテリは機器全体の重量に影響します。患者の使い心地が重要なので、ソリューション全体のサイズと重量を最小限に抑えながらバッテリ寿命を延ばすことが携帯型ECGアプリケーションの最大の課題です。
最近の製品はリチウムイオンなどのバッテリを採用する傾向にあり、製品によって数時間から数日間の動作時間を達成します。
バッテリの電圧範囲は、システム内の部品の電源電圧範囲に依存します。ADAS1000の場合は3.3VのAVDDが必要です。したがって、ADP151レギュレータを使用する場合、バッテリは少なくとも3.7Vを供給する必要があり、それには400mVのヘッドルームが必要となります。リチウムイオン・バッテリまたはリチウムポリマ・バッテリの公称セル電圧は3.7Vです。しかし、放電電圧が約3.2Vであるため、ADP151向けに最小3.7Vを保証するには2個をスタックにする必要があります。
適切な電源ソリューションの選択
ADAS1000は、AVDDとIOVDDの少なくとも2本の電源レールを必要とします。表1に示すように、ADCVDDとDVDDのレールはオプションで、これらの電源は、ADAS1000に搭載されたLDOを使ってそれぞれAVDDとIOVDDのレールから引き出すことができます。
| Power Rail | Voltage Range | Function |
| AVDD |
3.3 V ± 5% |
Analog supply rail |
| OVDD |
1.65 V to 3.6 V |
Digital interface supply rail |
| ADCVDD (optional) |
1.8 V ± 5% |
ADC supply rail; can be derived from AVDD using internal LDO |
| DVDD (optional) |
1.8 V ± 5% |
Digital supply rail; can be derived from IOVDD using internal LDO |
評価ボード上で、AVDDとIOVDDは3.3Vで給電されます。この3.3Vは、EVAL-SDP-CB1Z上のSPORTインターフェースとの互換性を維持するために、IOVDDレール用に選択されたものです。低い電源電圧で動作するマイクロコントローラとインターフェースする場合は、IOVDDの電源電圧を1.65Vまで低減できます。
一方、より電力効率の高いソリューションが必要な場合は、ADAS1000上のハードウェア・ピン(VREG_EN)を使って内部レールADCVDDとDVDDをディスエーブルすることができます。こうすると、ADCVDDおよびDVDDレールを外部電源で駆動できるようになります。ADCVDDレールはチップ上のADCに給電するためにできるだけクリーンにしておく必要があるので、ノイズの多いデジタル電源と共有してはなりません。
1個のADAS1000のAVDDレールの電源電流は、5チャンネルすべてがイネーブルの場合、動作モードに応じて通常8mA~15mAの範囲です。未使用のチャンネルは、ディスエーブルして消費電力を抑えることができます。
専用のADP151が、評価ボード上のAVDDとIOVDD両方の電源に使用されます。各ADP151の駆動能力は200mAなので、システム内の他の部品に給電可能です。ADP151レギュレータには、ボード上で他の目的で生成される5Vレールから入力されます。
IOVDDレールのデジタル・ノイズが確実にACVDDレールに混入しないように適切なフィルタリングを追加すれば、1個のADP151でAVDDとIOVDD両方のレールに給電可能です。
EVAL-ADAS1000SDZ評価ボードは、約250mA時に5Vを必要とするEVAL-SDP-CB1Zボードに電力を供給するように設計されています。昇降圧DC/DCコンバータADP2503は、このボードへの4.5V~5.5Vの入力電源から5Vレールを生成します。
このハードウェアに、SDPボードを接続した状態でバッテリから給電すると、全体の消費電力によりバッテリは短時間で放電します。
バリエーション回路
ADAS1000ファミリーの他のピン互換ECGフロントエンドでは、機能が縮小されています。たとえば、ADAS1000-4はペース検出と呼吸計測機能を備えた3チャンネル・バージョン、ADAS1000-3は3つのECGチャンネルを提供しますが、ペース検出および呼吸計測機能はありません。ADAS1000-2は、12リードのECG測定(9個のECG電極と1個のRLD)に対応するためにADAS1000と連動構成で使用することを目的とした、5つのECGチャンネルを持つデバイスです。表2に、ファミリーの製品間の相違点を示します。多様な製品により、少ないリード数から15以上のリード数までの幅広い測定に対応する柔軟な構成を保証します。
レイアウトとリップル・ノイズに留意すれば、DC/DCコンバータを電源に使って効率を高めることができます。
<| Generic | ECG | Operation | Right Leg Drive | Respiration | Pace Detection | Shield Driver | Master Interface1 | Package Option |
| ADAS1000 | Five ECG channels |
Master/slave |
Yes |
Yes |
Yes |
Yes |
Yes |
LFCSP, LQFP |
| ADAS1000-1 | Five ECG channels |
Master/slave |
Yes |
Yes | Yes |
LFCSP |
||
| ADAS1000-2 | Five ECG channels |
Slave |
LFCSP, LQFP |
|||||
| ADAS1000-3 |
Three ECG channels |
Master/slave |
Yes |
Yes | Yes |
LFCSP, LQFP |
||
| ADAS1000-4 | Three ECG channels | Master/slave |
Yes |
Yes |
Yes |
Yes | Yes | LFCSP, LQFP |
| 1マスター・インタフーフェースは、独自のデジタル・ペース・アルゴリズムを使用したいユーザ向けに提供されています。ADAS1000のデータシートの「Secondary Serial Interface」セクションを参照してください。 | ||||||||
回路の評価とテスト
装置一覧
以下の装置が必要です。
- EVAL-ADAS1000SDZキット。EVAL-ADAS1000SDZ評価ボード、5V ACアダプタ電源、ADAS1000評価用ソフトウェアが入ったCDを含む
- EVAL-SDP-CB1Zシステム・デモボード
- USBポート付きでADAS1000評価用ソフトウェアがインストールされたPC
- 信号キャプチャに使用可能な患者シミュレータまたはファンクション・ジェネレータ
ADAS1000評価ボードの使い方の詳細は、ADAS1000SDZ User Guideに記載されています。患者シミュレータを評価ボードに接続して評価ボード・ソフトウェアを使用した場合の代表的な画面を、図3に示します。

ノイズ測定
ADAS1000評価ボードを使用してECGのリード経路のピークtoピーク・ノイズ性能データをキャプチャするために、評価ボード・ソフトウェアを使用しました。その結果を図4に示します。
デバイスは以下の条件で構成しました。
- ゲイン設定:1.4
- ADCのサンプリング・レート:2MSPS(高性能モード)
- データレート:2kHz
- デジタル・リード・モード(リードをデジタル計算)
- ECGチャンネルを1.3Vの内部テスト・トーンに接続

リード・モードで行ったADAS1000によるノイズ測定の画面
X軸は時間がベースで、キャプチャを行った秒数を示しています。Y軸の目盛の単位はµVで、上記条件でのノイズ性能が約±7µVであることを示しています。これはADAS1000の性能予想と合致しており、低ノイズでリニアのベンチトップ電源を使って同じハードウェアで収集した性能データと同等です。このことから、評価ボード上では、ADP151の電源回路によりADAS1000全体のノイズに大幅な増加は生じなかったことが確認されました。
本評価ボードと回路ノートの利用に関する条件
詳細な免責条項についてはADAS1000SDZ User Guideを参照してください。
本評価ボードのデザインは「現状のまま」提供されるもので、明示的にも黙示的にもいかなる種類の表明も保証も行われません。また、本ボードまたはデザインの使用により、アナログ・デバイセズ社ならびにその子会社、取締役、役職者、従業員、代理業者に対する法的義務は一切生じないものとします。さらに、本評価ボードまたはデザインが、製品の誤動作または故障により人身傷害または死亡に至る可能性のあるセーフティ・クリティカルな医療用アプリケーション(生命維持装置など)での使用に関する認可を得ていないことが理解および同意されているものとします。本ボードを診断の目的で使用してはならず、人または動物に接続してはなりません。また、ボード上の電源レールを上回る高電圧を生じる除細動器またはその他の機器と一緒に使用してはなりません。
本評価ボードは、評価および開発用にのみ提供されています。最終製品またはその一部として使用されることは想定していません。当該用途への本評価ボードまたはデザインの使用はすべてお客様の責任で行われるものとし、当該の許可されていない使い方をしたことに起因する一切の責任ならびに発生した費用を、お客様はアナログ・デバイセズ社ならびにその子会社、取締役、役職者、従業員、代理業者に対して完全に補償するものとします。お客様は、当該使用法に関わる各種法的要件を順守する全責任を負うものとします。

