製品概要
製品概要
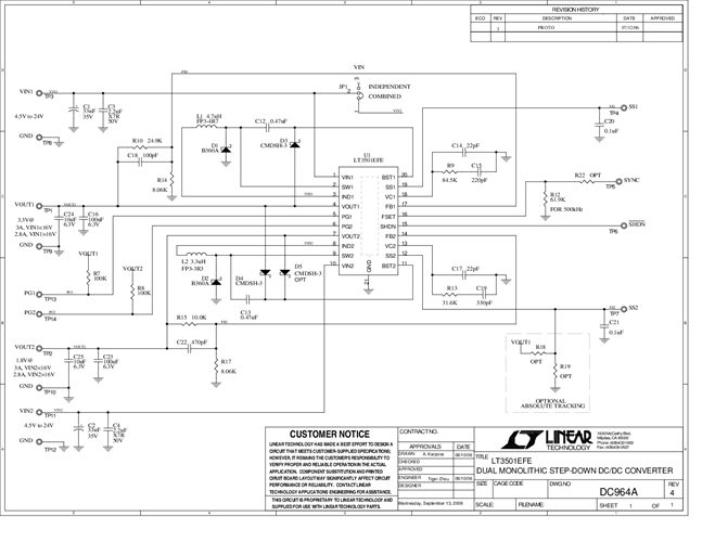
Demo circuit 964A is a dual monolithic step-down DC/DC converter featuring the LT3501. The demo circuit is designed for 3.3V/3A and 1.8V/3A outputs from a 4.5V to 24V input. Independent input voltage, feedback, soft-start and power good pins for each channel simplify complex power supply tracking/sequencing requirements.
対象となる製品
関連資料
-
DC964A - Schematic2009/09/24PDF37K
-
DC964A - Demo Manual2009/09/24PDF456K
-
DC964A - Design File2009/09/24ZIP773K
