製品概要
製品概要
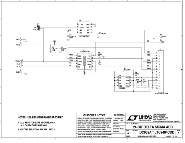
Demonstration circuit DC939 features the LTC2484, a 24-bit high performance DS analog-to-digital converter (ADC). The LTC2484 features 2ppm linearity, 0.5mV offset, and 600nV RMS noise. The input is fully differential, with input common mode rejection of 140 dB. The LTC2484 is available in a 10 pin DFN package and has an easy to use SPI interface. DC939 is a member of ADI's QuickEval™ family of demonstration boards. It is designed to allow easy evaluation of the LTC2484 and may be connected directly to the target applications analog signals while using the DC590 USB Serial Controller board and supplied software to measure performance. The exposed ground planes allow proper grounding to prototype circuitry. After evaluating with ADI's software, the digital signals can be connected to the end application’s processor / controller for development of the serial interface.
関連資料
- 
                                                                
                                                                    
                                                                                                                                            DC939A - Schematic2009/09/24PDF27K
- 
                                                                
                                                                    
                                                                                                                                            DC939A - Demo Manual2009/09/24PDF425K
- 
                                                                
                                                                    
                                                                                                                                            DC939A - Design File2009/09/24ZIP566K
 
                             
                         
                         
                                                 
                                                 
                                                 
                                                 
                                                



