製品概要
製品概要
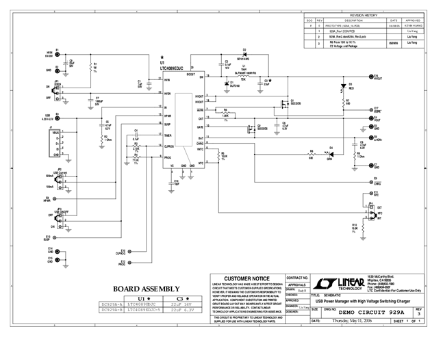
DC929A-A: Demo Board for the LTC4089 USB Power Manager with High Voltage Switching Charger.
対象となる製品
関連資料
-
DC929A - Schematic2009/09/24PDF335K
-
DC929A - Demo Manual2009/09/24PDF378K
-
DC929A - Design File2009/09/24ZIP607K
