製品概要
製品概要
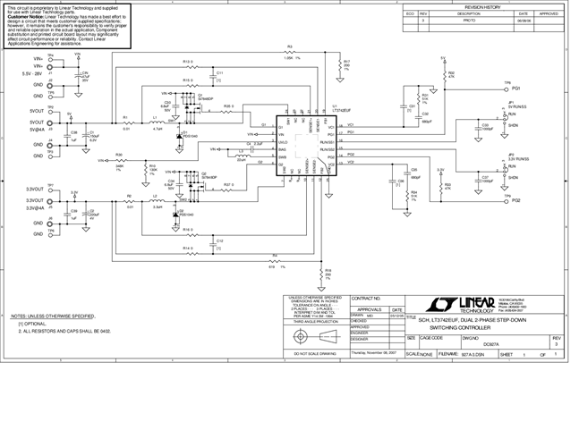
Demonstration circuit 927 is a dual output step-down converter featuring the LT3742, a two-phase nonsynchronous buck controller. The demo board operates with a 5.5V to 28V input suppy and provides outputs of 5V@4A and 3.3V@4A.
対象となる製品
関連資料
-
DC927A - Schematic2009/09/24PDF34K
-
DC927A - Demo Manual2009/09/24PDF202K
-
DC927A - Design File2009/09/24ZIP1M
