製品概要
製品概要
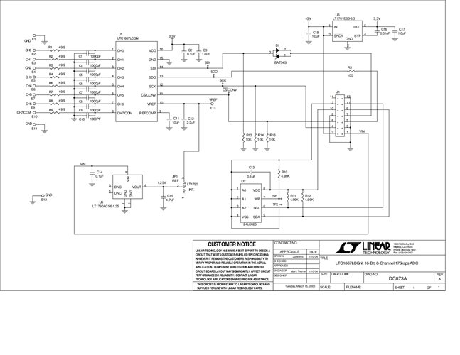
Demonstration circuit 873 features the LTC1867L Octal 16-bit ADC. The LTC1867L can be software programmed for a unipolar 0 to 2.5V or bipolar ±1.25V input range. The 8 channel multiplexer can be programmed for 8 single-ended inputs with respect to ground, 7 single-ended inputs with respect to the COM/CH7 pin, 4 differential inputs, or any combination of these.
対象となる製品
関連資料
-
DC873A - Schematic2009/09/24PDF27K
-
DC873A - Demo Manual2009/09/24PDF117K
-
DC873A - Design File2009/09/24ZIP419K




