製品概要
製品概要
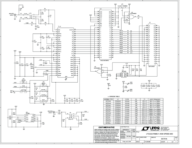
DC751A-B: Demo Board for the LTC2223 12-Bit, 80Msps ADCs.
対象となる製品
関連資料
- 
                                                                
                                                                    
                                                                                                                                            DC751A - Schematic2012/01/03PDF78K
- 
                                                                
                                                                    
                                                                                                                                            DC751A - Demo Manual2009/09/24PDF629K
- 
                                                                
                                                                    
                                                                                                                                            DC751A - Design File2011/06/08ZIP948K
 
                             
                         
                         
                                                