関連資料
-
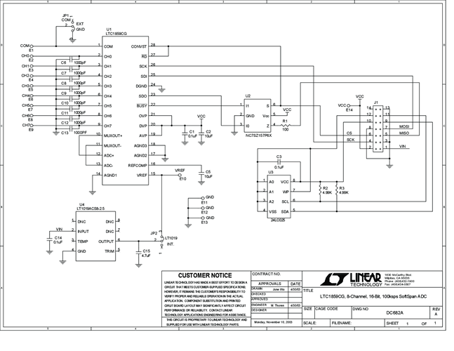
DC682A - Schematic2009/09/24PDF61K
-
DC682A - Demo Manual2013/06/18PDF347K
-
DC682A - Design File2009/09/24ZIP375K




