製品概要
製品概要
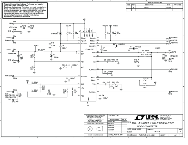
Demonstration circuit 621 is a 1.25MHz triple DC/DC switching converter using the LT1941. The LT1941 has two step-down converters and a third boost/inverting converter that can also be configured as a SEPIC or Cuk (inverting). The LT1941 has a wide 3.5V to 25V input voltage range; the demo board limits this range from 4.7V to 14V and is configured to provide 1.8V @ 2.4A, 3.3V @ 1.4A and –12V @ up to 550mA (depending on VIN).
対象となる製品
関連資料
-
DC621A - Schematic2009/09/24PDF62K
-
DC621A - Demo Manual2009/09/24PDF361K
-
DC621A - Design File2009/09/24ZIP939K
