関連資料
-
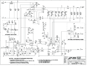
DC617A - Schematic2009/09/24PDF105K
-
DC617A - Demo Manual2009/09/24PDF304K
-
DC617A - Design File2009/09/24ZIP916K
