製品概要
製品概要
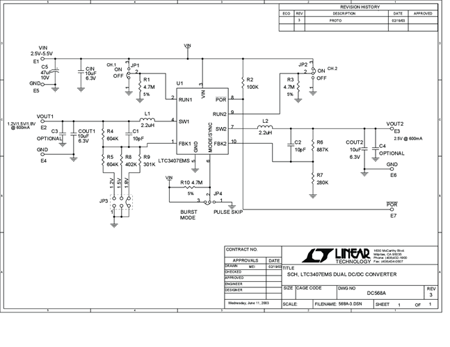
Demonstration circuit 568 is a Dual Synchronous, 600mA, 1.5MHz Step-Down DC/DC Regulator featuring the LTC3407 in the MSOP-10 exposed pad package. The DC568 has an input voltage range of 2.5V to 5.5V, and either output is capable of delivering up to 600mA of output current. In Burst Mode® operation, the LTC3407 requires only 40uA of quiescent current; in Pulse Skip mode, the LTC3407 provides lower output ripple voltage at light load currents. The DC568 can provide up to 96% efficiency on either channel and consumes less than 1uA in shutdown.
対象となる製品
関連資料
-
DC568A - Schematic2009/09/24PDF51K
-
DC568A - Demo Manual2009/09/24PDF442K
-
DC568A - Design File2009/09/24ZIP0M
