製品概要
製品概要
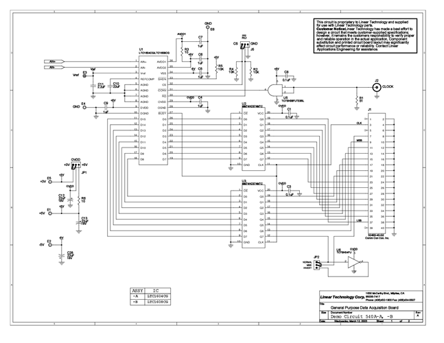
DC540A-A: Demo Board for the LTC1604 High Speed, 16-Bit, 333ksps Sampling A/D Converter with Shutdown.
対象となる製品
関連資料
-
DC540A - Schematic2009/09/24PDF159K
-
DC540A - Demo Manual2009/09/24PDF106K
-
DC540A - Design File2009/09/24ZIP766K
