製品概要
製品概要
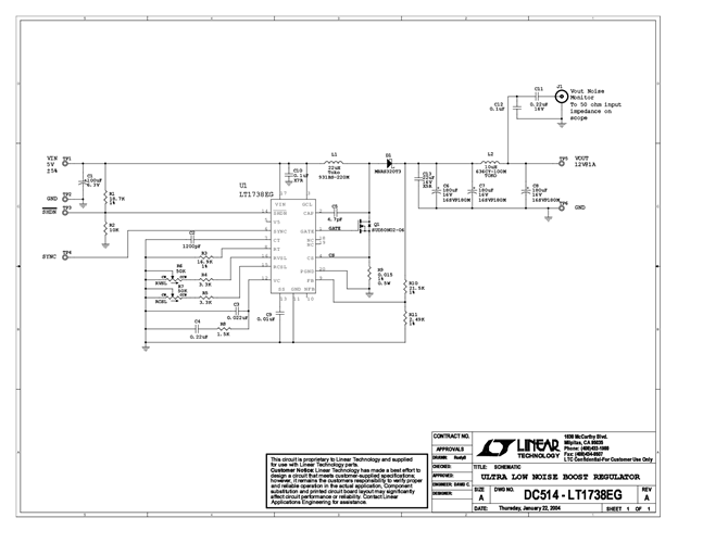
DC514A: Demo Board for the LT1738 Slew Rate Controlled Ultralow Noise DC/DC Controller.
関連資料
-
DC514A - Schematic2009/09/24PDF97K
-
DC514A - Demo Manual2009/09/24PDF196K
-
DC514A - Design File2009/09/24ZIP388K
