製品概要
製品概要
This evaluation board is obsolete and no longer recommended.対象となる製品
関連資料
-
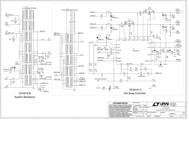
DC461A - Schematic2009/09/24PDF46K
-
DC461A - Demo Manual2009/09/24PDF612K
-
DC461A - Design File2009/09/24ZIP1M
