製品概要
製品概要
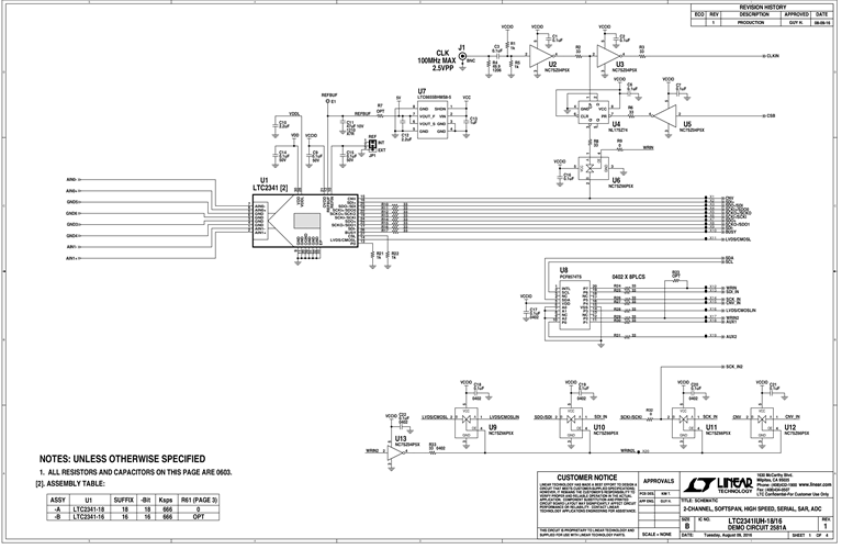
Demonstration circuit 2581A shows the proper way to drive the LTC2341 ADC. The LTC2341 is a low noise, high speed, simultaneous sampling 16-/18-bit successive approximation register (SAR) ADC. The LTC2341 has a flexible SoftSpan™ interface that allows conversion-by-conversion control of the input voltage span on a per-channel basis. An internal 2.048V reference and 2× buffer simplify basic operation while an external reference can be used to increase the input range and the SNR of the ADC.
対象となる製品
関連資料
-
DC2581A - Schematic2016/12/12PDF122K
-
DC2581A - Demo Manual2016/12/12PDF478K
-
DC2581A - Design Files2016/12/12ZIP2M
