製品概要
製品概要
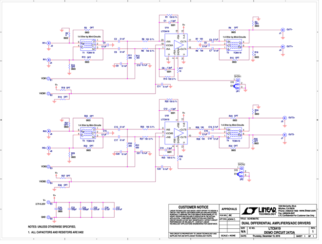
Demonstration circuit 2473A features the LTC6419 Dual Differential Amplifier/ADC Driver. It incorporates a variety of passive components to support configurations for varied applications. These fully-differential amplifiers accept single-ended or differential input with almost no difference in distortion performance.
関連資料
-
DC2473A - Schematic2017/03/15PDF40K
-
DC2473A - Demo Manual2017/03/15PDF264K
-
DC2473A - Design Files2017/03/15ZIP1M
