製品概要
製品概要
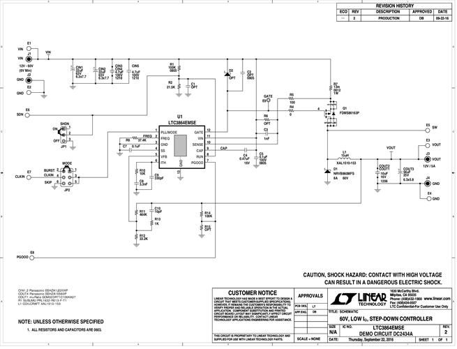
Demonstration circuit 2434A is a high voltage, current mode DC/DC step-down converter featuring the LTC3864.
The board operates from an input range of 6V to 60V and provides a 12V, 5A output when the input exceeds 12V. The PMOSFET architecture allows it to operate seamlessly up to 100% duty cycle and function as a saturated switch below the regulation threshold, down to 6VIN. It operates at 200kHz and may be synchronized to an external clock. A soft-start feature controls output voltage slew rate at start-up, reducing current surge and voltage overshoot. Burst Mode® operation that improves efficiency at light loads can be enabled with a jumper. A power good output signal is provided.
対象となる製品
関連資料
-
DC2434A - Schematic2017/02/13PDF33K
-
DC2434A - Demo Manual2017/02/13PDF298K
-
DC2434A - Design Files2017/02/13ZIP790K



