製品概要
製品概要
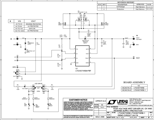
Demonstration circuit 2417A is intended to demonstrate the performance of the LTC4367 100V overvoltage (OV), undervoltage (UV), and reverse supply protection controller.
This controller protects circuits from input voltages that may be too high, too low or negative. It operates by controlling the gates of two back-to-back connected N-channel MOSFETs to keep the output in a safe range. The UV and OV setpoints are configured by the resistive divider on the UV and OV inputs. Asserting the SHDN pin disables the MOSFETs and places the LTC4367 in a low current shutdown state. The FAULT pin asserts when the controller is in the shutdown mode or when the input voltage is outside of the UV/OV window.
関連資料
-
DC2417A - Schematic2015/12/16PDF80K
-
DC2417A - Demo Manual2015/12/16PDF313K
-
DC2417A - Design Files2015/12/16ZIP2M




