製品概要
製品概要
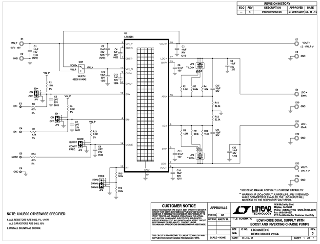
Demonstration Circuit 2235A has boost and inverting charge pumps each with a low noise LDO post regulator featuring the LTC3265EDHC. The LTC3265 operates with an input voltage from 4.5V to 16V for the boost charge pump and from 4.5V to 32V for the inverting charge pump. The demo board provides selectable LDO± output set magnitudes of 5V, 15V, and 24V for each polarity. The demo board also provides the means to select between low power Burst Mode® operation or low noise constant-frequency mode operation, plus select an operating frequency of 500kHz, 200kHz, or 50kHz.
関連資料
-
DC2235A - Schematic2015/10/05PDF92K
-
DC2235A - Demo Manual2015/10/05PDF697K
-
DC2235A - Design Files2015/10/05ZIP4M




