製品概要
製品概要
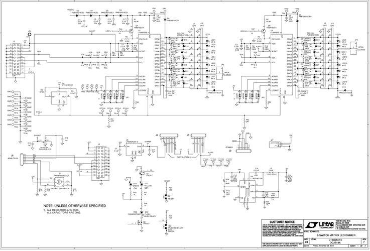
デモ回路DC2218Aは、LT3965 8スイッチ・マトリクスLED調光ICを搭載した、マトリクスLED調光システムです。500mA LEDが16個あり、2つの8スイッチLED調光LT3965 ICで個別にオン、オフ、またはPWM調光が可能です。2つのLEDストリングは、LT3797トリプルLEDコントローラICの2つの降圧LEDドライバで駆動されます。LT3797の3番目のチャンネルは30Vプリブースト・レギュレータとして機能し、正しい入力電圧を2つの降圧LEDドライバチャンネルに供給します。DC2218Aは、9V~30Vの入力で駆動でき、最大36Vのトランジェントに耐えられます。
関連資料
-
DC2218A - Schematic2015/12/16PDF117K
-
LT3965 GUI User Manual2015/12/16PDF2M
-
DC2218A - Demo Manual2015/12/16PDF889K
-
DC2218A - Design Files2016/04/21ZIP2M





