製品概要
製品概要
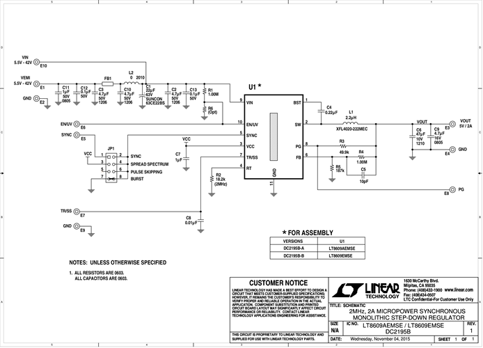
デモ回路2195Bは、LT8609またはLT8609Aを備えた、42V、2Aのマイクロパワー同期降圧レギュレータです。2つのアセンブリ・バージョンがあります。DC2195B-AはLT8609A用で、DC2195B-B(およびDC2195A)はLT8609用です。違いは、LT8609Aは改良されたEMIでエッジ速度が低下しますが、効率が若干低下する点です。
関連資料
-
DC2195B - Schematic2016/02/24PDF30K
-
DC2195B - Demo Board Manual2016/02/24PDF615K
-
DC2195B - Design Files2016/04/21ZIP869K
-
LDOレギュレータ向けのVIOC機能【Part 1】その利用方法、得られるメリット2025/12/08




