製品概要
製品概要
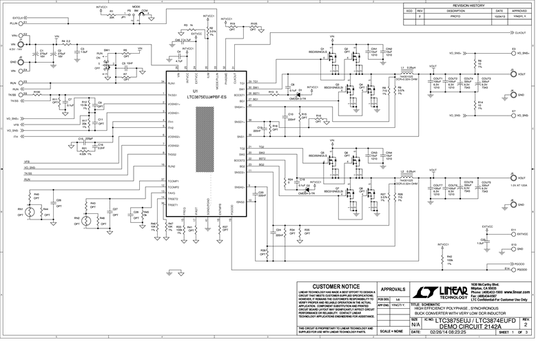
Demonstration circuit 2142A is a high efficiency, high density, 4-phase synchronous buck converter with a 4.5V to 14V input range. It can supply 120A maximum load current at a 1.0V output. This demo board incorporates the LTC3875EUJ and LTC3874IUFD master/slave controllers.
関連資料
-
DC2142A - Schematic2014/06/05PDF140K
-
DC2142A - Demo Manual2014/06/05PDF759K
-
DC2142A - Design Files2014/06/05ZIP6M
