製品概要
製品概要
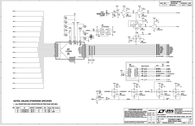
Demonstration circuit 2094A shows the proper way to drive the LTC®2348 family of ADCs. The LTC2348/LTC2347/LTC2343 are low noise, high speed, simultaneous sampling 16-/18-bit successive approximation register (SAR) ADCs. The demo manual refers to the LTC2348-18 but applies to all parts in the family, the only differences being the number of bits, number of channels and the maximum sample rate. The LTC2348-18 has a flexible SoftSpan™ interface that allows conversion-by-conversion control of the input voltage span on a per-channel basis. An internal 2.048V reference and 2X buffer simplify basic operation while an external reference can be used to increase the input range and the SNR of the ADC.
対象となる製品
関連資料
-
DC2094A - Schematic2017/03/21PDF124K
-
DC2094A - Demo Manual2017/03/21PDF1M
-
DC2094A - Design Files2017/03/21ZIP3M




