製品概要
製品概要
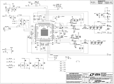
Demonstration circuit 2055A is a high efficiency, high density, 4-phase synchronous buck converter with a 4.5V to 14V input range. It can supply 120A maximum load current at a 1.0V output. This demo board has two LTC3875EUJ controllers. The LTC3875 is a feature-rich dual-phase synchronous buck controller with very low DCR current sensing capability, on-chip drivers and remote output voltage sensing. This board is set up with 0.32mΩ DCR inductor. The temperature compensation function can guarantee accurate current limit over a wide temperature range with DCR sensing.
対象となる製品
関連資料
-
DC2055A - Schematic2014/04/22PDF187K
-
DC2055A - Demo Manual2016/03/10PDF913K
-
DC2055A - Design Files2014/04/22ZIP2M
