製品概要
製品概要
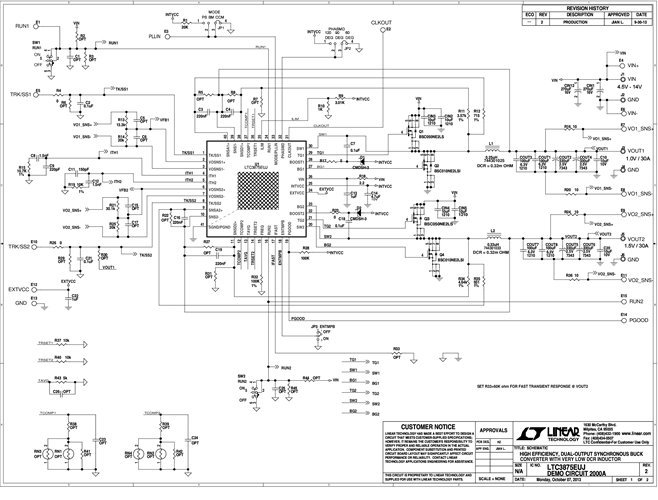
Demonstration circuit 2000A is a high efficiency, high density, synchronous buck converter with a 4.5V to 14V input range. It can supply 30A maximum load current at a 1.0V output and at a 1.5V output separately. The demo board includes a LTC3875EUJ controller. The LTC3875 is a feature-rich dual phase synchronous buck controller with very low DCR current sensing capability, on-chip drivers and remote output voltage sensing. This board is set up with a 0.32mΩ DCR inductor. The temperature compensation function can guarantee accurate current limit over a wide temperature range with DCR sensing.
対象となる製品
関連資料
-
DC2000A - Schematic2014/02/27PDF144K
-
DC2000A - Demo Manual2014/02/27PDF545K
-
DC2000A - Design Files2014/02/27ZIP1M
