製品概要
製品概要
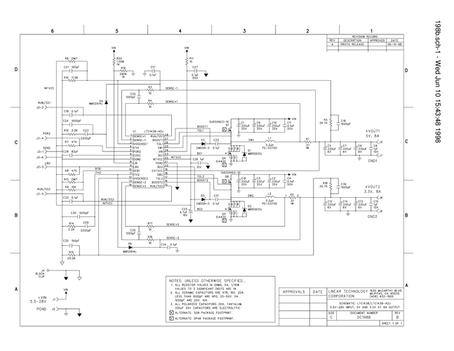
DC198B: Demo Board for the LTC1438 Dual High Efficiency, Low Noise, Synchronous Step-Down Switching Regulators.
対象となる製品
関連資料
-
DC198B - Schematic2009/09/24PDF97K
-
DC198B - Demo Manual2009/09/24PDF71K
-
DC198B - Design File2009/09/24ZIP368K
