製品概要
製品概要
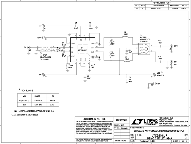
Demonstration circuit 1984A showcases the LTC5510. wideband high linearity active mixer for VHF/UHF upmixer applications, where a 70MHz input signal is upconverted to the 100MHz to 1GHz output range. Its input port is optimized for 30MHz to 2.6GHz, and its output port is optimized for 10MHz to 1.3GHz. The LO input can be either high side or low side.
マーケット&テクノロジー
対象となる製品
関連資料
-
DC1984A - Schematic2014/06/04PDF46K
-
DC1984A - Demo Manual2014/06/04PDF559K
-
DC1984A - Design Files2014/06/04ZIP1M




