製品概要
製品概要
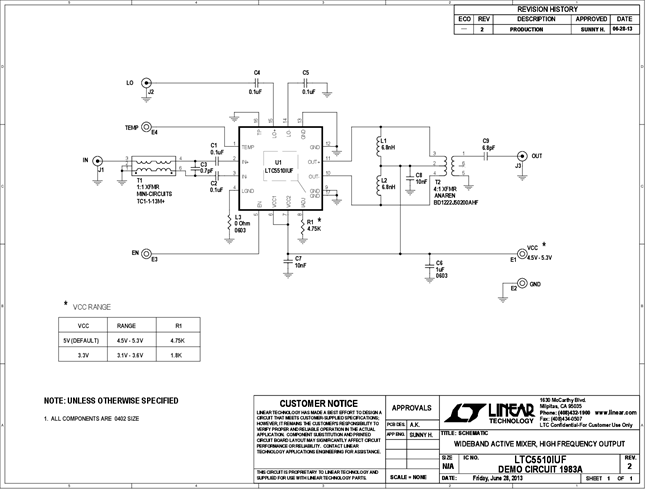
DC1983A: Demo Board for the LTC5510 1MHz to 6GHz Wideband High Linearity Active Mixer.
マーケット&テクノロジー
対象となる製品
関連資料
-
DC1983A - Schematic2013/08/26PDF45K
-
DC1983A - Demo Manual2013/08/26PDF740K
-
DC1983A - Design Files2013/08/26ZIP1M




