製品概要
製品概要
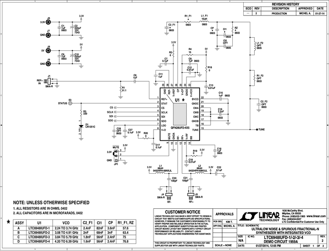
Demonstration circuit 1959A features the LTC6948, an Ultralow Noise and Spurious Fractional-N Synthesizer with Integrated VCO. There are four options of the DC1959A, one for each version of the LTC6948. Table 1 summarizes the available DC1959A options.
対象となる製品
関連資料
- 
                                                                
                                                                    
                                                                                                                                            DC1959A - Schematic2014/06/18PDF57K
- 
                                                                
                                                                    
                                                                                                                                            DC1959A - Demo Manual2014/06/18PDF811K
- 
                                                                
                                                                    
                                                                                                                                            DC1959A - Design Files2014/06/18ZIP1M
 
                             
                         
                         
                                                 
                                                 
                                                 
                                                 
                                                



