製品概要
製品概要
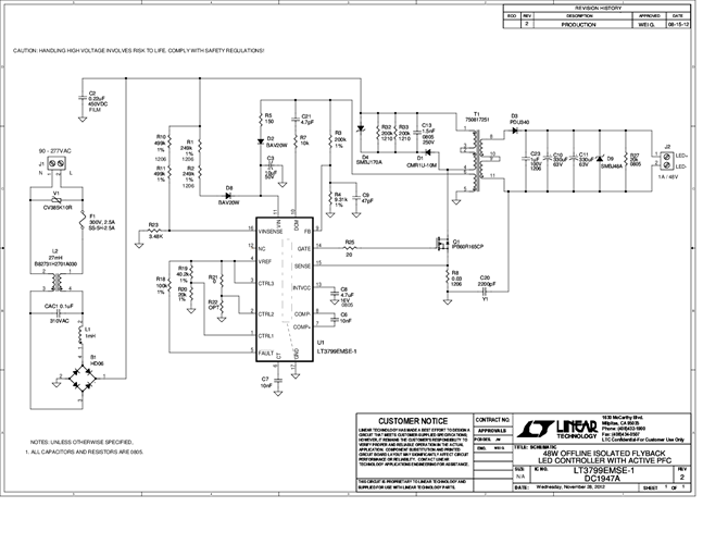
DC1947A: Demo Board for the LT3799-1 Offline Isolated Flyback LED Controller with Active PFC.
対象となる製品
関連資料
-
DC1947A - Schematic2013/02/05PDF48K
-
DC1947A - Demo Manual2013/01/29PDF249K
-
DC1947A - Design Files2013/02/05ZIP790K




