製品概要
製品概要
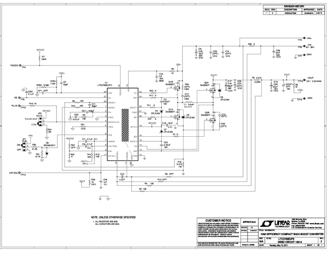
Demonstration circuit 1881A is a high efficiency synchronous buck-boost DC/DC converter with 6V to 36V input range. It can supply 2.5A maximum load current at 12V output. The demo board features the LTC3789EUFD controller. The constant-frequency current mode architecture allows a phase-lockable frequency of up to 600kHz, while an optional output current feedback loop provides support for applications such as battery charging. With a wide input range, wide output range and seamless transfers between operation modes, the LTC3789 is ideal for automotive, telecom, distributed DC power systems and battery-powered applications. This board has a compact solution size with dual SO-8 MOSFETs, small inductor and capacitor footprints. The package of LTC3789EUFD is a small, low thermal impedance 4mm × 5mm 28-Lead QFN.
対象となる製品
関連資料
-
DC1881A - Schematic2012/07/26PDF57K
-
DC1881A - Demo Manual2012/07/26PDF194K
-
DC1881A - Design Files2012/07/26ZIP841K
