製品概要
製品概要
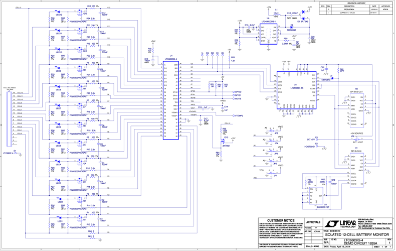
Evaluation circuit DC1835A is a Battery Monitoring System to demonstrate the functional operation of the LTC6803-4 integrated circuit. The design includes the ability to bus up to 10 devices with built-in board-toboard ribbon-cable interconnects and selectively apply resistive loading to any cell for purposes of “Passive Balancing.” Additionally, the board includes a DC-DC boost conversion section to power the IC from an isolated external 5V supply. The external 5V supply also powers a data isolator so that the user SPI data bus is floating with respect to the monitored cells.
関連資料
-
DC1835A - Schematic2014/06/02PDF109K
-
DC1835A - Demo Manual2014/06/02PDF1M
-
DC1835A - Design Files2014/06/02ZIP3M




