製品概要
製品概要
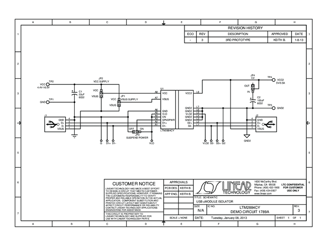
Demonstration circuit 1789A is an isolated USB transceiver with isolated power featuring the LTM2884. The demo circuit features an EMI optimized circuit configuration and printed circuit board layout. All components are integrated into the μModule® isolator. The demo circuit operates from a supply on VCC and/or VBUS. The part generates an isolated output voltage on VCC2 and communicates all necessary signaling across the isolation barrier through LTC’s isolator μModule technology.
関連資料
-
DC1789A - Schematic2013/10/18PDF17K
-
DC1789A - Demo Manual2014/04/07PDF527K
-
DC1789A - Design Files2013/10/18ZIP292K



