製品概要
製品概要
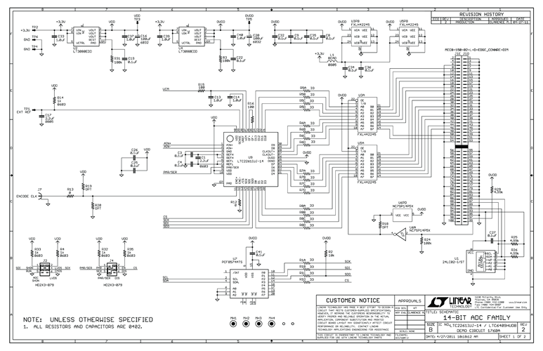
DC1760A Demo Board for:
LTC2261-14 14-Bit, 125Msps Ultra-Low Power 1.8V ADCs
LTC6409 10GHz GBW, 1.1nV/√Hz Differential Amplifier/ADC Driver
対象となる製品
関連資料
-
DC1760A - Schematic2012/05/18PDF74K
-
DC1760A - Demo Manual2011/04/04PDF2M
-
DC1760A - Design Files2011/05/25ZIP6M
