関連資料
-
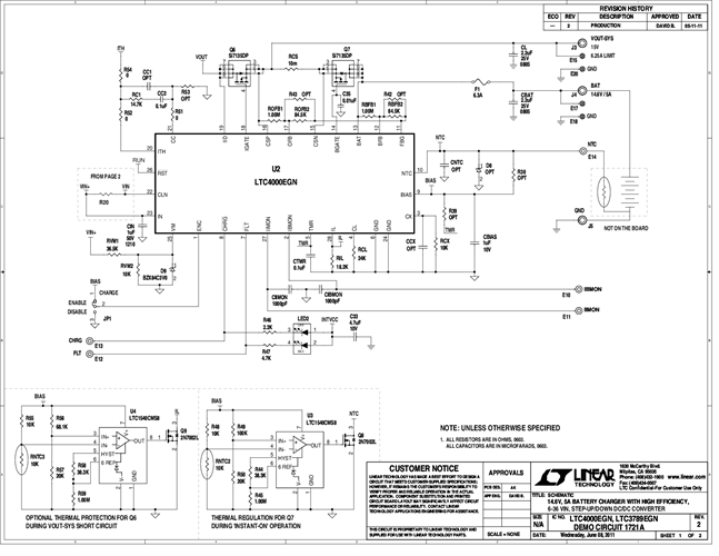
DC1721A - Schematic2012/03/28PDF114K
-
DC1721A-A - Demo Manual2011/06/21PDF210K
-
DC1721A-A - Design Files2011/06/21ZIP1M
