製品概要
製品概要
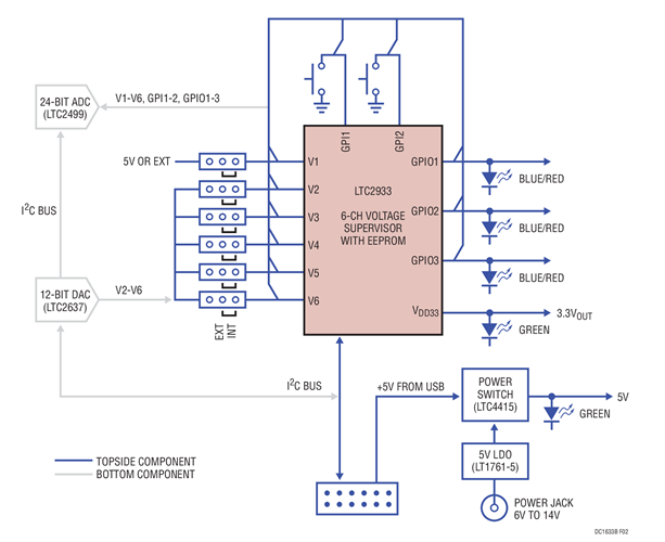
The DC1633B is a demonstration system that showcases the LTC2933, a 6-channel I2C/SMBus voltage supervisor with EEPROM. The LTC2933 simultaneously monitors up to six power supply voltages and detects under/overvoltage conditions. In addition the LTC2933 monitors two GPI pins and is able to drive three GPIO pins to indicate OV, UV, system reset, system alert, or other control signal.
対象となる製品
関連資料
-
DC1633B - Schematic2014/11/10PDF105K
-
DC1633B - Demo Manual2014/11/11PDF1M
-
DC1633B - Design Files2014/11/10ZIP906K

