製品概要
製品概要
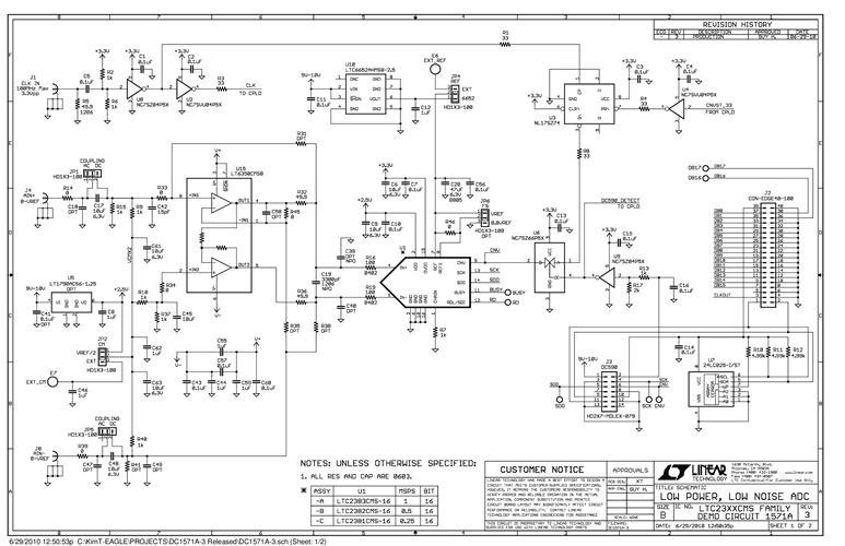
DC1571A-C: Demo Board for the LTC2381-1616-Bit, 250ksps, Low Power SAR ADC with Serial Interface.
対象となる製品
関連資料
-
DC1571A - Schematic2010/07/22PDF899K
-
DC1571A - Demo Manual2010/10/04PDF3M
-
DC1571A - Design Files2010/07/22ZIP5M
