製品概要
製品概要
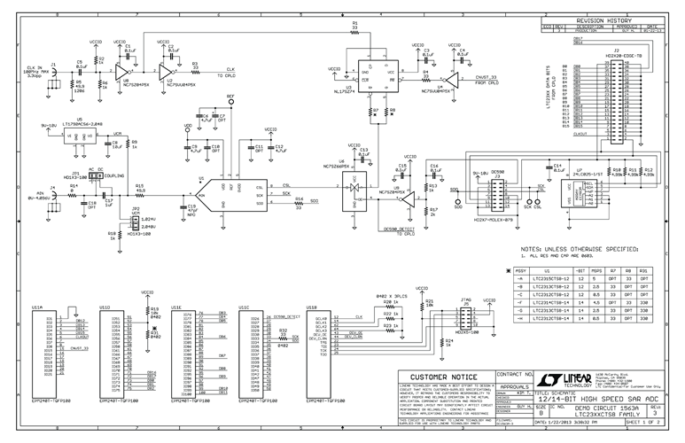
DC1563A-G: Demo Board for LTC2313-14 14-Bit, 2.5Msps Serial Sampling ADC in TSOT.
対象となる製品
関連資料
-
DC1563A - Schematic2013/09/11PDF82K
-
DC1563A - Demo Manual2013/09/11PDF2M
-
DC1563A - Design Files2013/09/11ZIP1M
