製品概要
製品概要
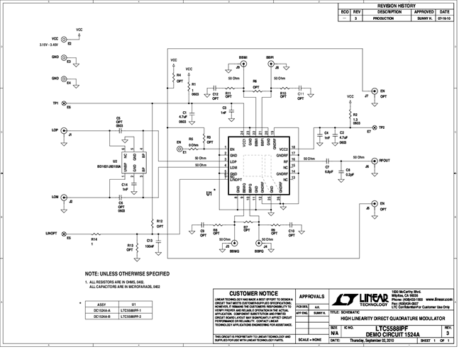
DC1524A-A: Demo Board for the LTC5588-1 200MHz to 6000MHz Quadrature Modulator with Ultrahigh OIP3.
関連資料
-
DC1524A - Schematic2010/10/04PDF42K
-
DC1524A - Demo Manual2010/10/04PDF1M
-
DC1524A - Design Files2010/10/04ZIP997K




