製品概要
製品概要
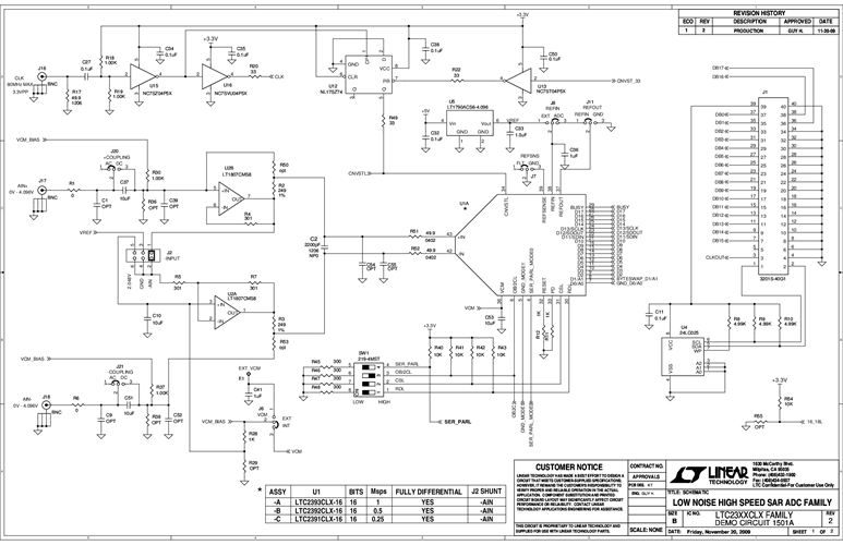
DC1501A-B: Demo Board for the LT1807 325MHz, Dual, Rail-to-Rail Input and Output, Low Distortion, Low Noise Precision Op Amps and for LTC2392-16 16-Bit, 500ksps SAR ADC with 94dB SNR.
対象となる製品
関連資料
-
DC1501A - Schematic2010/04/15PDF99K
-
DC1501A - Demo Board2010/04/22PDF720K
-
DC1501A - Design Files2010/04/15ZIP1M
