製品概要
製品概要
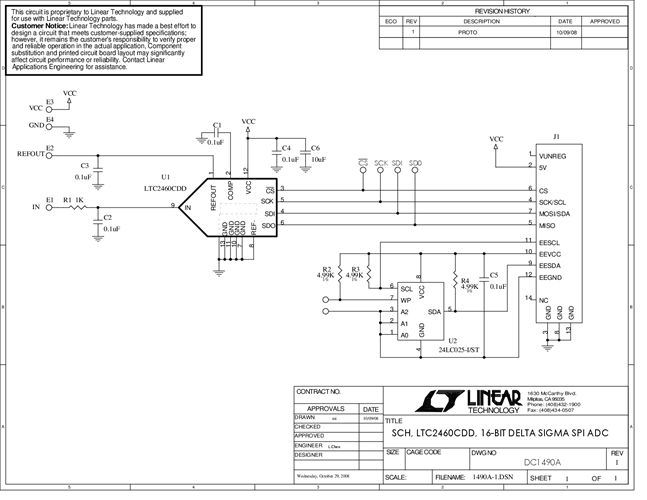
DC1490A: Demo Board for the LTC2460 Ultra-Tiny, 16-Bit ΔΣ ADCs with 10ppm/°C Max Precision Reference.
対象となる製品
関連資料
-
DC1490A - Schematice2010/08/25PDF37K
-
DC1490A - Demo Manual2015/04/27PDF277K
-
DC1490A - Design Files2010/08/25ZIP2M
