製品概要
製品概要
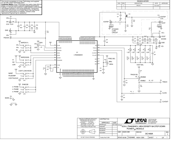
DC1400A: Demo Board for LTM4608A Low VIN, 8A DC/DC µModule with Tracking, Margining, and Frequency Synchronization
対象となる製品
関連資料
-
DC1400A - Schematic2009/09/24PDF37K
-
DC1400A - Demo Manual2010/11/16PDF1M
-
DC1400A - Design File2009/09/24ZIP2M




