製品概要
製品概要
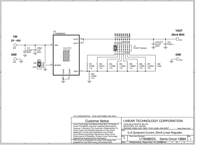
Demonstration circuit 1388A is an ultralow quiescent current and low dropout voltage linear regulator featuring the LT3008 in the 2 × 2 DFN-6 package. The DC1388A has an input voltage range from 2V to 45V, and is capable of delivering up to 20mA output current. The jumper-selectable output voltage can be set to 1.2V, 1.5V, 1.8V, 2V, 2.5V, 3.3V, 5V or a user-defined value. With a 3µA quiescent current, the LT3008 is ideal for supplying power to low current battery-powered systems, keep-alive power supply and remote monitoring utility meters and hotel door locks.
関連資料
- 
                                                                
                                                                    
                                                                                                                                            DC1388A - Schematic2009/09/24PDF24K
- 
                                                                
                                                                    
                                                                                                                                            DC1388A - Demo Manual2009/09/24PDF1M
- 
                                                                
                                                                    
                                                                                                                                            DC1388A - Design File2009/09/24ZIP486K
 
                             
                         
                         
                                                 
                                                 
                                                 
                                                 
                                                



