製品概要
製品概要
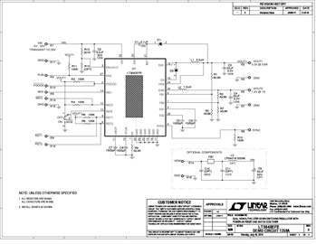
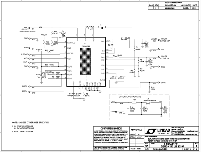
Demonstration circuit 1359 is a Dual Monolithic Buck Regulator with Power-On Reset and Watchdog Timer featuring the LT3640. The board operates from inputs ranging from 5V to to 35V and withstands transients up to 55V. The outputs are 3.3V @ 0.8A and 1.2V @ 1A.
対象となる製品
関連資料
-
DC1359A - Schematic2010/08/18PDF46K
-
DC1359A - Demo Board Manual2010/08/18PDF313K
-
DC1359A Design Files2010/08/18ZIP707K
