製品概要
製品概要
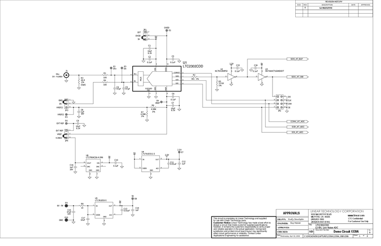
DC1339A: Demo Board for LTC2302 Low Noise, 500ksps, 1-/2-Channel, 12-Bit ADC
対象となる製品
関連資料
-
DC1339A - Schematic2009/09/24PDF110K
-
DC1339A - Demo Manual2010/03/24PDF665K
-
DC1339A - Design File2009/09/24ZIP2M
