製品概要
製品概要
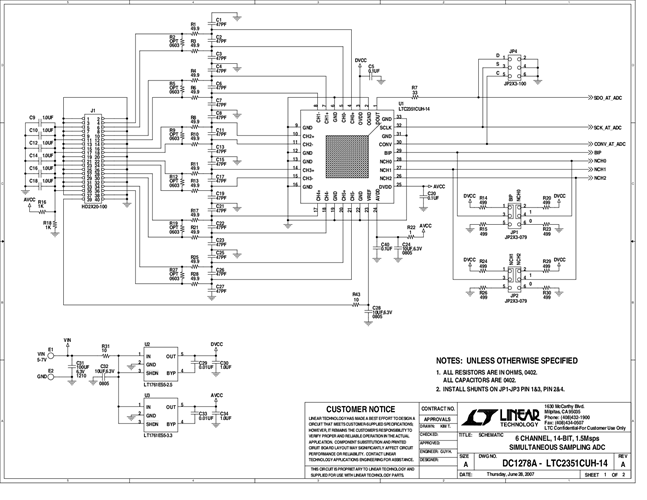
DC1278A: Demo Board for LTC2351-14 - 6 Channel, 14-Bit, 1.5Msps Simultaneous Sampling ADC with Shutdown
対象となる製品
関連資料
-
DC1278A - Schematic2009/09/24PDF72K
-
DC1278A - Demo Manual2009/09/24PDF2M
-
DC1278A - Design File2009/09/24ZIP1M
