製品概要
製品概要
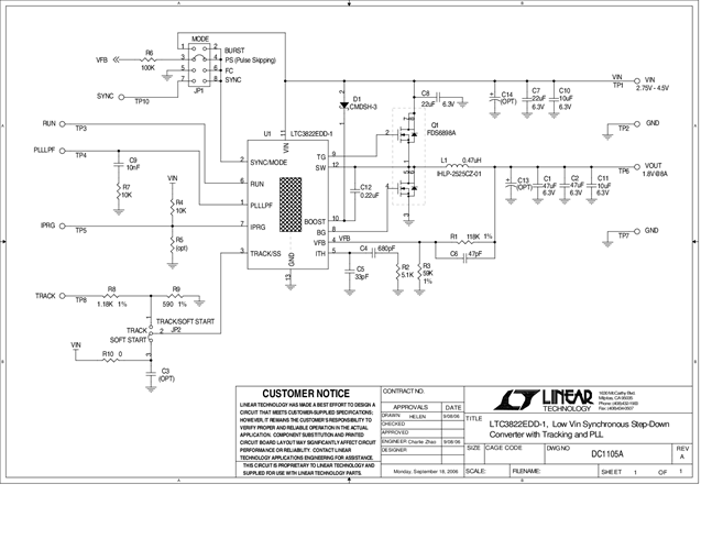
DC1105A: Demo Board for the LTC3822-1 No RSENSE, Low Input Voltage, Synchronous Step-Down DC/DC Controller
関連資料
-
DC1105A - Schematic2009/09/24PDF32K
-
DC1105A - Demo Manual2009/09/24PDF229K
-
DC1105A - Design File2009/09/24ZIP621K
