製品概要
製品概要
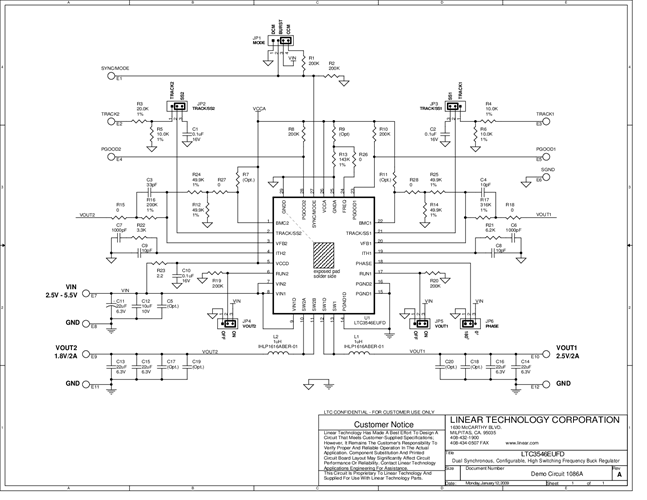
DC1086A: Demo Board for LTC3546 Dual Synchronous, 3A/1A or 2A/2A Configurable Step-Down DC/DC Regulator.
対象となる製品
関連資料
-
DC1086A - Schematic2009/09/24PDF31K
-
DC1086A - Demo Manual2009/09/24PDF2M
-
DC1086A - Design File2009/09/24ZIP740K
